Chi tiết liên kết theo TCVN 5575:2024 dùng trong kết cấu thép là một bộ phận trung gian nhưng cũng rất quan trọng, có nhiệm vụ kết nối các cấu kiện như cột, dầm, giằng, xà gồ, …và các chi tiết kỹ thuật khác để hình thành một hệ kết cấu tổng thể có khả năng chịu lực đồng bộ.
File tính toán đã được update theo TCVN 5575:2024. Giá 1 file cho 1 dạng liên kết là 50k. Xem hướng dẫn thanh toán Tại đây.
1. Chi tiết liên kết theo TCVN 5575:2024 – Liên kết nách khung nhà xưởng công nghiệp
Xem thêm bài viết: Liên kết dầm mái (xà) vào cột – Nhà công nghiệp (TCVN 5575:2012)

2. Chi tiết liên kết nối dầm khung nhà xưởng công nghiệp
Xem thêm bài viết: Liên kết nối dầm mái (xà), đỉnh khung – Nhà công nghiệp (TCVN 5575:2012)

3. Chi tiết liên kết đỉnh khung nhà xưởng công nghiệp
Xem thêm bài viết: Liên kết nối dầm mái (xà), đỉnh khung – Nhà công nghiệp (TCVN 5575:2012)

4. Chi tiết liên kết theo TCVN 5575:2024 – Liên kết đỉnh cột

5. Chi tiết liên kết chịu mô men dầm + cột

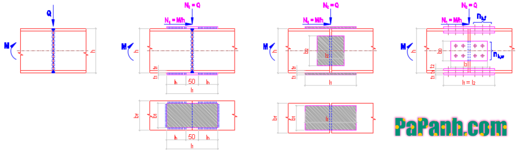
6. Chi tiết liên kết nối cột tiết diện chữ I/H
Xem thêm bài viết: Liên kết nối thép hình chữ I (H) – Theo TCVN 5575:2012

7. Chi tiết liên kết nối dầm tiết diện chữ I/H
Xem thêm bài viết: Liên kết nối thép hình chữ I (H) – Theo TCVN 5575:2012

8. Chi tiết liên kết theo TCVN 5575:2024 – Liên kết chịu cắt dầm phụ + dầm chính
Xem thêm bài viết: Liên kết dầm phụ với dầm chính – TCVN 5575:2012

Update continued !!!
Theo dõi bài viết thường xuyên để cập nhật thêm nha…